
විස්තරාත්මක නිෂ්පාදන විස්තරය
| වාසිය: | අධික වේගය | ලේබල් කිරීමේ වේගය: | 60-200pcs / min |
|---|---|---|---|
| කාර්යය: | අහිතකර ස්ටිකර් ලේබල් කිරීම | ද්රව්ය: | මල නොකන වානේ |
| බෝතල් වර්ගය: | ස්වයංක්රීය වටකුරු බෝතල් ලේබල් භාජනය | අයදුම්පත: | වටකුරු බහාලුම් සඳහා |
| පීඑල්සී සන්නාමය: | මිට්සුබිෂි (ජපානය | සර්වෝ ලේබල් කිරීමේ මෝටරය: | ඩෙල්ටා ai තායිවානය |
රතු වයින් ලේබල් කිරීමේ යන්ත්රය වීදුරු වයින් බෝතල් ලේබල් කිරීමේ යන්ත්රය, පීඑල්සී පාලන පද්ධතිය මිට්සුබිෂි සන්නාම ලේබල් කිරීමේ යන්ත්රය
විශේෂාංග:
1. මෙහෙයුම: පීඑල්සී පාලන පද්ධතිය ලේබල් කිරීමේ යන්ත්රය ක්රියාත්මක කිරීම පහසු කරයි
2. ද්රව්ය: ලේබල් කිරීමේ යන්ත්රයේ ප්රධාන ශරීරය SUS304 මල නොබැඳෙන වානේ වලින් සාදා ඇත
3. වින්යාසය: අපගේ ලේබල් කිරීමේ යන්ත්ර සුප්රසිද්ධ ජපන්, ජර්මානු, ඇමරිකානු, කොරියානු හෝ තායිවාන් වෙළඳ නාම කොටස් භාවිතා කරයි
4. නම්යශීලීභාවය: සේවාදායකයාට මුද්රණ යන්ත්ර සහ කේත යන්ත්ර එකතු කිරීමට තෝරා ගත හැකිය; සංවහනය සමඟ සම්බන්ධ වීමට තෝරා ගත හැකිය.
තාක්ෂණික පරාමිතීන්:
| නම | අධිවේගී අත් සඳහා ස්වයංක්රීය රවුම් වයින් බෝතලය හැකිලීම වටකුරු බෝතල් ලේබල් කිරීමේ යන්ත්රය |
| ලේබල් කිරීමේ වේගය | 60-350pcs / min |
| වස්තුවේ උස | 30-350 මි.මී. |
| වස්තුවේ ness ණකම | 20-120 මි.මී. |
| ලේබලයේ උස | 5-180 මි.මී. |
| ලේබලයේ දිග | 25-300 මි.මී. |
| විෂ්කම්භය ඇතුළත ලේබල් රෝලර් | 76 මි.මී. |
| විෂ්කම්භයෙන් පිටත ලේබල් රෝලර් | 420 මි.මී. |
| ලේබල් කිරීමේ නිරවද්යතාවය | Mm 1 මි.මී. |
| බල සැපයුම | 220V 50 / 60HZ 3.5KW |
| මුද්රණ යන්ත්රයේ ගෑස් පරිභෝජනය | 5Kg / m2 (කේතීකරණ යන්ත්රයක් එකතු කරන්නේ නම්) |
| ලේබල් කිරීමේ යන්ත්රයේ ප්රමාණය | 2800 (L) × 1650 (W) × 1500 (H) මි.මී. |
| ලේබල් කිරීමේ යන්ත්රයේ බර | 180kg |
වින්යාසය
| නැත. | කොටස | වෙළඳ නාමය | ප්රමාණය |
| 1 | පීඑල්සී | මිට්සුබිෂි (ජපානය) | 1 |
| 2 | ප්රධාන පරිවර්තකය | ඩන්ෆෝස් (ඩෙන්මාර්කය) | 1 |
| 4 | එච්එම්අයි | WEINVIEW (තායිවානය) | 1 |
| 5 | සර්වෝ ලේබල් කිරීමේ මෝටරය | ඩෙල්ටා (තායිවානය) | 1 |
| 6 | සර්වෝ ලේබල් කිරීමේ මෝටර් රියදුරු | ඩෙල්ටා (තායිවානය) | 1 |
| 7 | වාහක මෝටරය | එච්වයි (තායිවානය) | 1 |
| 8 | වාහක මෝටර් ගියර් පෙට්ටිය | එච්වයි (තායිවානය) | 1 |
| 9 | බෝතල් මෝටරය බෙදීම | ජීපීජී (තායිවානය) | 1 |
| 10 | බෝතල් මෝටර් ගියර් පෙට්ටිය බෙදීම | ජීපීජී (තායිවානය) | 1 |
| 11 | බෝතල් වෙන් කරන මෝටර් වේග පාලකය | ජීපීජී (තායිවානය) | 1 |
| 12 | කථන මෝටරය | ජීපීජී (තායිවානය) | 1 |
| 13 | මෝටර් ගියර් පෙට්ටිය කතා කරන්න | ජීපීජී (තායිවානය) | 1 |
| 14 | වස්තුව මැජික් ඇස හඳුනා ගනී | ඔම්රොන් (ජපානය) | 1 |
| 15 | ප්රකාශ තන්තු | ඔම්රොන් (ජපානය) | 1 |
යන්ත්ර විස්තර:

ප්රධාන ලේබල් කිරීමේ යන්ත්ර කොටස් 32 ක්

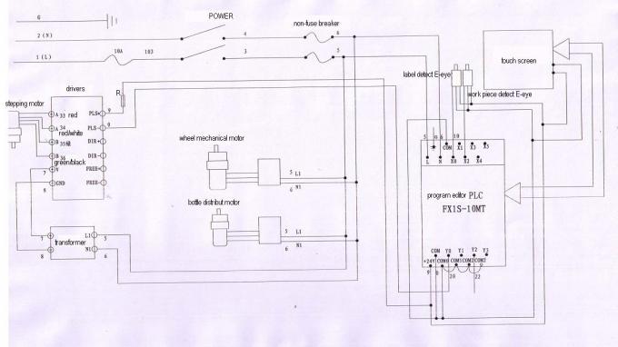
පරිපථ සටහන

නිති අසන පැණ:
1.label ට බුබුලු ලැබේ
හේතු:
Board පුවරුව පීල් කිරීම හොඳ නැත / පැතලි නොවේ;
P නගුල පුවරුව හොඳ නැත / පැතලි නොවේ;
③ ලේබල් කිරීමේ ප්රතිදානය ඉතා වේගවත් හෝ එකලස් කිරීමේ රේඛාවේ වේගය ඉතා අඩුය;
ලේබලය ලිහිල් කර ඇත
විසඳුම්:
Board පැතලි පීල් ඕෆ් බෝඩ් එකක් වෙනස් කිරීම;
P පැතලි නගුල් පුවරුවක් වෙනස් කිරීම;
The ලේබල් කිරීමේ නිමැවුම් වේගය මන්දගාමී කිරීම හෝ එකලස් කිරීමේ වේගය වැඩි කිරීම;
The ලේබල් පටියට නිසි ලෙස බලපෑම් කරන්න.
ටැගය: කාර්මික ලේබල් කිරීමේ යන්ත්රය, වීදුරු බෝතල් ලේබල් කිරීමේ යන්ත්රය









